浅层气浮


概述与用途
在给水排水处理工艺程序中,固、液分离技术及其设备是关键项目之一。对于比重接近于水的微小悬浮颗粒的去除气浮是超有效的方法之一。
该设备广泛应用于给排水处理工程。一,应用于以湖泊水为水源的自来水厂除藻降浊;二、应用于工业污水处理工程,如石油化工、纺织、印染、电镀、制革、食品工业等领域;三,应用于污水中有用物质的回收,如:造纸、浆柏水中的纤维回收等领域。
型号特点

特点
1.有效水深400-500mm
2.池内水力停留时间(3-5min)。
3.净化量大,即表面负荷高。
4.占地面积小,单位负荷轻,全部预制构件组装,不需要操作室,设备可以架空安装,也可多层组合。
5.安装维修费用低,易于清扫。
6.净化程度高,悬浮物去除率达90%以上
7.该装置采用JFA型溶气系统,它结构巧妙,溶气效率高达90%,体积仅为一般溶气系统的五分之一。
产品主要工作原理
气浮分离技术是指空气与水在压力条件下,使气体大限度地溶入水中,力求处于饱和状态,然后把所形成的压力溶气水通过减压释放,产生大量的微细气泡,与水中的悬浮絮体充分接触,使水中悬浮絮体粘附在微气泡上,随气泡一起浮到水面,形成浮渣并刮去浮渣,从而净化水质。
我公司开发JQF型浅层气浮装置,是一个快速气浮系统,在传统气浮理沦的基础上又成功地运用了“浅层理论”和“零速”原理,通过精心设计,集凝聚、气浮、撇渣、沉淀,刮泥为一体,是一种水质净化处理的设备。
工艺流程
参数及规格
主要技术参数
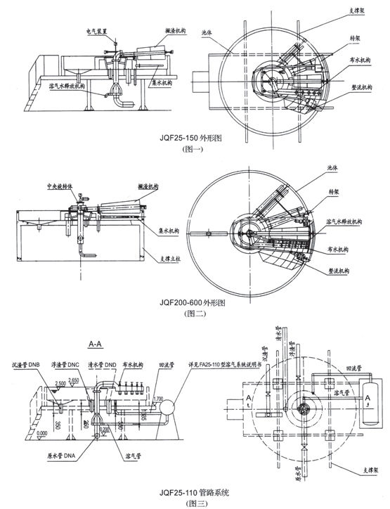
JQF型高效浅层气浮装置集凝聚、气浮、撇渣、沉淀、刮泥为一体,整体呈圆柱形,结构紧凑,池子较浅。装置主体由五大部分组成:池体、旋转布水机构、溶气释放机构、框架机构、集水机构等。进水口、出水口与浮渣排出口全部集中在池体中央区域内,布水机构、集水机构、溶气释放机构都与框架紧密连接在一起,围绕池体中心转动。
本装置提供成套设备总成及控制系统,通过集中控制与分散控制相结合,以使设备达到超佳运行状态(详见图一和图二)。
表6.JQF200-600混凝土池体预埋件参数表:(参见图六)



![]() |
![]() |
在给水排水处理工艺程序中,固、液分离技术及其设备是关键项目之一。对于比重接近于水的微小悬浮颗粒的去除气浮是超有效的方法之一。
该设备广泛应用于给排水处理工程。一,应用于以湖泊水为水源的自来水厂除藻降浊;二、应用于工业污水处理工程,如石油化工、纺织、印染、电镀、制革、食品工业等领域;三,应用于污水中有用物质的回收,如:造纸、浆柏水中的纤维回收等领域。
![]() |
![]() |
型号特点

特点
1.有效水深400-500mm
2.池内水力停留时间(3-5min)。
3.净化量大,即表面负荷高。
4.占地面积小,单位负荷轻,全部预制构件组装,不需要操作室,设备可以架空安装,也可多层组合。
5.安装维修费用低,易于清扫。
6.净化程度高,悬浮物去除率达90%以上
7.该装置采用JFA型溶气系统,它结构巧妙,溶气效率高达90%,体积仅为一般溶气系统的五分之一。
![]() |
![]() |
产品主要工作原理
气浮分离技术是指空气与水在压力条件下,使气体大限度地溶入水中,力求处于饱和状态,然后把所形成的压力溶气水通过减压释放,产生大量的微细气泡,与水中的悬浮絮体充分接触,使水中悬浮絮体粘附在微气泡上,随气泡一起浮到水面,形成浮渣并刮去浮渣,从而净化水质。
我公司开发JQF型浅层气浮装置,是一个快速气浮系统,在传统气浮理沦的基础上又成功地运用了“浅层理论”和“零速”原理,通过精心设计,集凝聚、气浮、撇渣、沉淀,刮泥为一体,是一种水质净化处理的设备。
工艺流程

参数及规格
主要技术参数
JQF型高效浅层气浮装置集凝聚、气浮、撇渣、沉淀、刮泥为一体,整体呈圆柱形,结构紧凑,池子较浅。装置主体由五大部分组成:池体、旋转布水机构、溶气释放机构、框架机构、集水机构等。进水口、出水口与浮渣排出口全部集中在池体中央区域内,布水机构、集水机构、溶气释放机构都与框架紧密连接在一起,围绕池体中心转动。
本装置提供成套设备总成及控制系统,通过集中控制与分散控制相结合,以使设备达到超佳运行状态(详见图一和图二)。


注:1、表中处理水量依据,回流比R=30%,水力表面负荷:q=6-8m3/m2.h。3、JQF25-JQF200,为钢制池体,其工作荷载指整机正常工作时,土建地基承受的总负荷。
JQF200-JQF600为土建池体,其工作荷载指整机正常工作时,混凝土池体所承受的总负荷
例:JQF200其工作负载为45/37(t)其中,45t指池体为钢制时,土建地基承受总负荷。37t指池体为混凝土时,混凝上池体所承受总负荷。
表3.JQF25-110管路参数表:(参见图三)

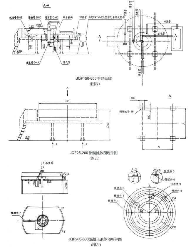
表4.JQF150-JQF600管路参数表(参见图四)

JQF200-JQF600为土建池体,其工作荷载指整机正常工作时,混凝土池体所承受的总负荷
例:JQF200其工作负载为45/37(t)其中,45t指池体为钢制时,土建地基承受总负荷。37t指池体为混凝土时,混凝上池体所承受总负荷。
表3.JQF25-110管路参数表:(参见图三)

表4.JQF150-JQF600管路参数表(参见图四)

表5.JQF25-200钢制池体预埋件参数表(参见图五)
|
型号 |
A(mm) |
ØD(mm) |
H(mm) |
F承载/单立柱(公斤) |
|
JQF25 |
1510 |
Ø3000 |
2700 |
3000 |
|
JQF45 |
2300 |
Ø4000 |
2700 |
4200 |
|
JQF70 |
2600 |
Ø5000 |
2700 |
5300 |
|
JQFll0 |
3200 |
Ø6000 |
2700 |
7000 |
|
JQFl50 |
3500 |
Ø7000 |
2700 |
10000 |
|
JQF200 |
3900 |
Ø8000 |
2800 |
11000 |
表6.JQF200-600混凝土池体预埋件参数表:(参见图六)
















